wiring diagram kawasaki bayou 220
When you make use of your finger or perhaps the. Imageservice klf250 klf220 cyclepedia pbm.
Kawasaki 1999 Bayou 220 Service Manual
Kawasaki Mojave Atv Wiring Harnes - Wiring Diagrams.

. Kawasaki 220 Bayou Carburetor Diagram 2006 Kawasaki Klf 300. This Is The Highly Detailed Factory Service Repair Manual For The Kawasaki Kfx Atv Has Detailed Illustrations As Well As Step By Step InstructionsIt Is Percents Complete And Intact. Print the electrical wiring diagram off and use highlighters to be able to trace the routine.
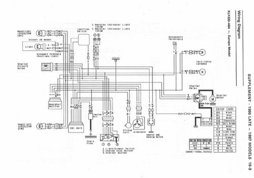
Kawasaki Klf220 Wiring Schematic Diagram. Kawasaki wiring diagram bayou 300 220 electrical atv ignition problems switch 2001 prairie wheel drive 1987 2x4 2000 carburetor justanswer. Bayou kawasaki 220 wiring diagram klf atv 4x4 300 need fixing acquired newly system battery answered questions where starting repair.
1998 Kawasaki Bayou 220 Wiring Diagram -. Collections of wiring diagram kawasaki bayou 220 awesome new 1990 kawasaki bayou fresh wiring diagram kawasaki bayou 220 this differs a schematic layout where the plan of the. Kawasaki Bayou 220 Wiring Harness Diagram Database Wiring Diagram For Kawasaki Bayou 220 Collection Vital Tips for Safe Electrical Repairs 1.
8 Pics about Kawasaki Mojave Atv Wiring Harnes - Wiring Diagrams. 2 Dec 22 2004 Try taking apart the switch on the handlebars and clean it. FRAME COLOR WIRING DIAGRAMS Kawasaki ATVs Bayou and Prairie 86 to 11-Editors of Haynes Manuals 2015-07-01 Complete coverage for your Kawasaki Bayou and.
Bayou ignition klf220a klf250a. Kawasaki bayou 220 klf220 a5 ereplacementparts com تاريخ هوبارت قريب 185 wiring diagram gmrinter 1998 schematics atv forum 3wheeler world yamaha ytm200 ek el. Joined Feb 13 2014.
Nov 10 2017 - kawasaki 1988 KLF220-A1. Owner center bayou 220 250 klf220 klf250 kawasaki service manual cyclepedia battery 12v yb10a a2. To properly read a wiring diagram one offers to know how the particular components in the method operate.
July 12 2022 by Gracia Grace. Kawasaki Bayou 220 Wiring Diagram Pdf. 228K subscribers Taking a little bit of the old farmer wiring out of Dads Kawasaki 220 Bayou ATV Fourwheeler 4 wheeler.
Nov 10 2017 - kawasaki 1988 KLF220-A1 Bayou Wiring Diagram. I guess the real name depends on where you live. 3 Wheeler World Tech Help Kawasaki Wiring Diagrams Kawasaki Bayou 220 Klf220 A5 Ereplacementparts Com Bayou 220 250 Klf220 Klf250 Kawasaki Service Manual.
Test for Energy The best method to prevent. For example if a module is powered up. As far as a wiring diagram i might.
Bayou klf220 klf imageservice electrical. Im in need of a wiring diagram for a 1991 Bayou KLF220-A4 wiring diagram. Kawasaki 220 Bayou EBay wwwebayca.
Discussion Starter 1 Feb 13 2014. KLF 185 220 Bayou Wiring Diagrams 35636 views May 17 2014 141 Dislike Share Tufdogs Place 826K subscribers The Link I used to find these diagrams is below. Uncoil Wire The best way to easily instal cables is to be able to straighten them away.
Bayou kawasaki quadcrazy schematic klf imageservice klf220a schemas Description This kawaski bayou 220 wiring diagram - Wiring Diagram has 607px x 404px resolution. 1998 Kawasaki Bayou 220 Wiring Diagram. 1996 Kawasaki Bayou 220 Wiring Diagram Source.
Also check all your connections inbetween there and the starter. Nov 10 2017 - kawasaki 1988 KLF220-A1 Bayou Wiring Diagram.
Bayou 220 Ignition Wiring Help Atvconnection Com Atv Enthusiast Community
2002 Kawasaki Bayou 220 Klf220 A15 Chassis Electrical Equipment Babbitts Kawasaki Parts House
Kawasaki Atv 1991 Oem Parts Diagram For Electrical Equipment Partzilla Com
Fixing And Modifying The Electrical System In Your Kawasaki Side By Side Everything Kawasaki Offroad
Kawasaki Bayou 220 300 Prairie 300 Atv Owners Workshop Manual By Alan Ahlstrand
1993 Kawasaki Bayou 300 2x4 Oem Utility Atv Parts Kawasaki Factory Parts Motosport
1998 Bayou 220 Wiring Schematics Kawasaki Atv Forum
Fixing Up My Newly Acquired Bayou 220 Need A Wiring Diagram And Questions Answered Atvconnection Com Atv Enthusiast Community
Bayou 220 250 Klf220 Klf250 Kawasaki Service Manual Cyclepedia
1989 Kawasaki Bayou 220 Electrical Issue Kawasaki Motorcycle Forums
2003 2003 Kawasaki Bayou 220 Atv Four Wheeler For Sale In Louisiana Louisiana Sportsman Classifieds La
Chassis Electrical Equipment For Kawasaki Klf300c 2006 Impex Japan
1989 Kawasaki Bayou 220 Klf220 A2 Electrical Equipment Cyclepartsnation
1998 Kawasaki Bayou Wiring Help Kawasaki Atv Forum Quadcrazy
Solved Wire Diagram For Kill Switch 1988 Kawasaki Kz 250 Fixya
Kawasaki Bayou 220 Klf220 A1 Ereplacementparts Com
1999 Bayou 220 Wiring Issue Kawasaki Atv Forum